鉄骨製品の製造工程(ものづくりの流れ) 当社では、図面作成から加工、組立、溶接、検査、出荷まで、すべての工程を一貫して自社で行っています。確かな技術と管理体制により、高品質な製品づくりを実現しています。 施工図・現寸コンピューターを使って製品の図面を作る仕事です。詳しく見る 一次加工入荷した型鋼や切板を組立てる前に、孔あけ・切断等、第一段階の加工を行います。詳しく見る 組立一次加工後の部材を施工図に示されている通りに、組み立てていきます。詳しく見る 溶接組立てられた部材を本溶接することで、安全で強固な製品へ仕上げていきます。詳しく見る 検査・品質管理溶接完了後、寸法・外観・超音波探傷検査を行うことで製品の品質を管理します。詳しく見る 塗装・出荷錆止めが必要な製品を塗装し、現場へ搬入するために必要な準備を終えた後、出荷します。詳しく見る
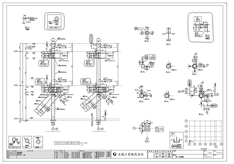
施工図・現寸 現場・設計会社と打合せの上、鉄骨専用のCADソフトを用いて、製作における様々な基準図や製品単品図等を含めた施工図を作成します。現寸では、施工図を元に材料発注に必要な部材リストや、工場で製作するために必要な加工指示書を作成します。 工事担任者との打ち合わせ 施工図の作成 完成単品図 現寸後の単品図 一次加工 入荷した型鋼に加工指示書の通り鉄骨同士を取り合う為の孔をあけ、必要な長さに切断します。孔の周辺部は現場で高力ボルトにより接合する際、摩擦面となる為、ショットブラストにより表面を加工します。また完全溶込み溶接をする際に必要な開先加工も一次加工で行います。 孔あけ加工 切断加工 ショットブラスト 一次加工完了 組立 一次加工した型鋼やコラムを製品本体として、そこに鉄骨同士の取合い部となるガセットプレートや安全仮設ピース等を溶接にて仮付けしたり、現場建方の際に必要な部分には、ガス切断にて切欠き加工をしながら柱や梁を完成形へと組み立てていきます。 ケガキ作業の状況 組立て溶接の状況 梁組立て完了 柱組立て完了 溶接 組み立てられた柱や梁の仮付け部分を本溶接することで、製品を完成体に仕上げます。溶接は大きく分けて、構造上主要な箇所に用いる完全溶込み溶接とそれ以外の箇所に用いる隅肉溶接の2種類があり、溶接姿勢により施工後の外観が変化します。施工の際はいずれも資格取得が必要となります。 半自動溶接 隅肉溶接完了 ロボット溶接 完全溶込み溶接完了 検査・品質管理 検査では、検査員が単品図を用いて、図面通りに製品ができているか一品ごとに細かくチェックします。同時に溶接部や母材自体に欠陥がないか外観検査を行います。また完全溶込み溶接部については多くの場合、超音波探傷検査により内部欠陥の有無を確認し、すべて問題なければ合格となります。 製品検査 溶接外観検査 超音波探傷検査 塗装膜厚検査 塗装・出荷 検査を合格した製品の中で錆止めが必要なものについては、適正な膜厚管理のもと塗装します。製品は出荷日ごとに仕分けしたり、取合いに必要なプレートをボルトで固定したりして搬入するために必要な準備を行った後、現場へ出荷していきます。 ケレン・養生作業 吹付塗装 出荷リスト 積込み完了